Thermolib-综合能源系统仿真
Thermolib热力学仿真模型是德国Eutech Scientific公司为热力学系统系统仿真开发的专用模型工具。该模型是基于MATLAB®/Simulink®建模和仿真工具箱,主要用于综合能源系统、新能源汽车热管理、发动机热管理、空调系统、燃气发动机等控制系统的MIL以及HIL测试、系统仿真验证。该模型基于热力学理论及工程热物理方法对热力学系统进行建模;提供丰富的模型库、气相及液相物质的热力学数据库等。
Thermolib热力学系统级仿真模型应用行业:
综合能源系统仿真
燃料电池(PEMFC/SOFC/DMFC)系统仿真
燃气及燃油发动机仿真;
传统发动机集成热管理;
新能源汽车整车热管理
热电厂(蒸汽轮机、燃气轮机等);电池包热管理
空调系统(热泵、吸收式、压缩式);
热力学过程;
典型复杂的综合能源系统架构如右图:
基于Thermolib所搭建的热管理系统仿真模型架构:

该综合能源系统包括了:供气系统仿真、SOFC燃料电池发电系统仿真、蒸汽轮机发电系统仿真、吸收式制冷系统仿真、太阳能热电系统仿真、以及锂电储能系统仿真,基于综合能源的管理优化目标,可对控制系统进行配置,客户如需进行电网仿真,可基于Simulink的SimPower模型库与Thermolib模型库进行快速建模。从而实现太阳能、气、热、冷、电的复杂耦合系统仿真。
其中所涉及的具备余热利用的蒸汽轮机发电机组(Steam Power Plant with Heat Recovery)模型如下:

SOFC高温燃料电池发电系统仿真模型如下:

具备余热回收的吸收式制冷机组(Absorption Refrigeration Heat Pump)模型如下:、

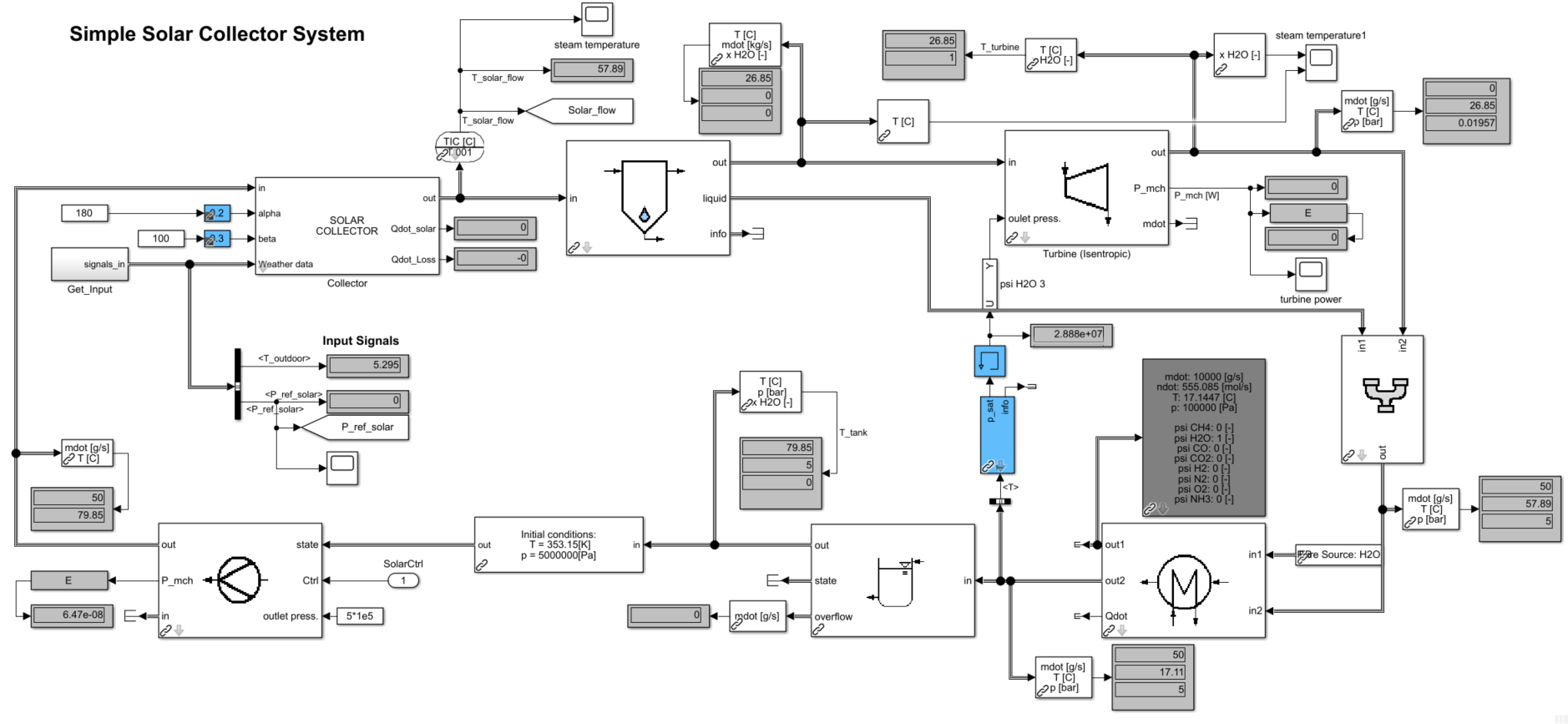
太阳能热电机组(Solar Heat and Power Collection)模型如下:

锂电储能(Lithium battery energy storage)系统模型如下:

另外,用户还可以选择包括:电热锅炉、燃气供热锅炉(Combined Cycle Power Plant)、燃气轮机模型(Gas turbine model)、热泵空调系统(Heat pump air conditioning system)、电解制氢模型(Electrolytic hydrogen production)、储热系统模型(Heat storage system)
详细技术资料下载,请点击
手机:18610567442(陈先生)座机:0531-88289902
邮箱: support@fuelcellin.com
地址: 山东省济南市历下区齐鲁文化创意基地17号楼
Copyright © 2026 山东氢探新能源科技有限公司Fuel Cell Power In 版权所有 ICP证:鲁ICP备18036378号
